文章
14
标签
24
分类
10
首页
归档
标签
分类
About
OOM实验室
搜索
首页
归档
标签
分类
About
汇编
标签 - 汇编
2020
2020-11-28
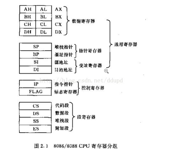
汇编语言入门:Debug 常用命令
Leif Liu
OOM实验室 - Leif的技术博客,分享Java后端开发、智能家居、AI应用等技术经验
文章
14
标签
24
分类
10
Follow Me
公告
说点什么好呢
最新文章
用 OpenClaw + Home Assistant 打造 AI 智能家居控制中心
2026-05-15
解决 Linux 下 fcitx 光标不跟随与 Markdown 预览问题
2021-10-30
常用排序算法
2021-09-22
Android 家庭分享 App:HomeHelper 开发实战
2021-05-19
数据结构与算法:线性表实现
2021-04-20
最新评论
加载中...
分类
spring
1
spirng5 框架
1
前端开发
1
复习
1
常用笔记
4
开发环境
1
智能家居
1
汇编
1
标签
算法
Linux
phpstorm
排序
spring5
Element UI
前端
git
JetBrains
OpenClaw
常用笔记
米家
汇编
xdebug
数据结构
Vue
数学
通信原理
mathjax
android
spring
Home Assistant
智能家居
fcitx
归档
五月 2026
1
十月 2021
1
九月 2021
1
五月 2021
1
四月 2021
3
十二月 2020
2
十一月 2020
5
网站信息
文章数目 :
14
本站访客数 :
本站总浏览量 :
最后更新时间 :
搜索
数据加载中